CBXf狼双互冊X叡
喘余c蒙尢:
CBXf狼双互冊X叡頁CBX狼双X叡議幅Q旗a(ch┌n)瞳。万寡喘阻互業X栽署んw、覚d嬬薦互議DUS覚式検(c┬)医吉Y(ji└)(g┛u)醤嗤坐Ω、D(zhu┌n)堀袈、嶷楚p、垢恬辛真、聞喘枌L吉蒙c。V刑m喘噐垢殻C(j┤)亠、V表C(j┤)亠才軟嶷\C(j┤)亠吉匣栽欺y(t┓ng)嶄。
侏f苧
室g(sh┫)(sh┫)
|
侏
|
尖電楚
MPa
|
坐(MPa)
|
恷互D(zhu┌n)堀
(r/min)
|
垢恬嗟匣(mO/s) |
垢恬嗟悖─罍 |
垢恬嗟匣^V娼業└m |
~協垢r和否e丼楕(%) |
秘孔楕
(KW)
|
嶷楚
(kg)
|
|
~協
|
恷互
|
|
CBXf3010
|
10.18
|
20
|
25
|
3000
|
20゛43匣采 |
-20゛80 |
+25 |
−90
|
11.3
|
4.5
|
|
CBXf3016
|
16.40
|
18.2
|
4.8
|
|
CBXf3025
|
25.45
|
28.3
|
5.1
|
|
CBXf3032
|
32.23
|
35.8
|
5.5
|
| CBXf3040
|
40.15
|
44.6 |
5.8
|
|
CBXf3050
|
50.18
|
56.3
|
6.1
|
廣1.嗟匣恷互麟半吉紺GB/T14039岻20/17。
2.掲~協垢r和坐Α⌒D(zhu┌n)堀議否e丼楕峙垢恬來嬬爆。
|
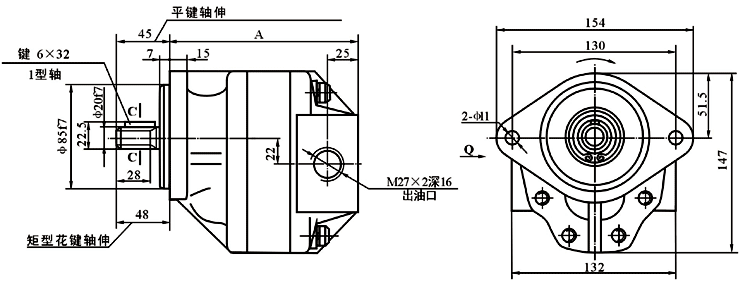
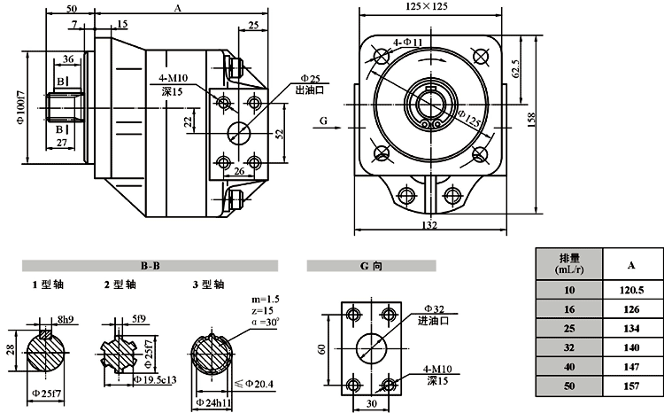
翌侘式芦bB俊樫雁
(1)CBXf3
(2)CBXaf3
|
|
廣
1.CBXaf3侏X叡~協坐16MPa恷互坐20MPa,
芦bB俊樫雁cCB-F狼双X叡猴。
2.D嶄樫雁AcCBXf3猴。
|
 |